定制热线: 0755-22322016
联系人:19066390079(微信同步)
邮 箱:3957248201@qq.com
地 址:深圳市龙岗区平湖街道禾花社区佳业工业园3栋4楼1-2
网 址://www.99usgo.com
美国LORD SG-LINK-200-OEM 嵌入式无线应变/模拟传感器节点是一个带有 2 个模拟输入通道的小型无线节点,可用于 OEM 集成。 它包括板载 PGA、滤波器和高分辨率 ADC,用于精确测量各种传感器类型,包括应变计、称重传感器、压力传感器和加速度计。SG-LINK-200-OEM非常适用于应变计、称重传感器和压力传感器的精确测量。
此外,数字脉冲输入通道允许轻松集成到霍尔效应传感器以报告 RPM 或脉冲计数。 多功能性和小巧的外形使 SG-Link-200-OEM 易于集成到许多应用中。
LORD Sensing SG-LINK-200-OEM 无线传感器网络支持来自可扩展传感器网络的同步、高速传感和数据聚合。 我们的无线传感系统非常适合测试和测量、远程监控、系统性能分析和嵌入式应用。
SG-Link-200-OEM 允许从一系列传感器类型(包括应变仪、压力传感器和加速度计)远程收集数据。 该节点支持以高达 1 kHz 的采样率从 1 个差分和 1 个单端输入通道收集高分辨率、低噪声数据。 数字输入与霍尔效应传感器兼容,用于报告 RPM 和总脉冲,是许多扭矩传感应用的理想选择。
用户可以使用 SensorConnect 软件轻松对节点进行连续、周期性突发或事件触发采样编程。 可选的基于 Web 的 SensorCloud 界面优化了来自远程网络的传感器数据的数据聚合、分析、演示和警报。
LORD SG-LINK-200-OEM双通道嵌入式无线应变/模拟传感器节点的优势
| 产品亮点 | 高性能 | 应用程序 |
• 1 个差分和 1 个单端输入通道; • 与 120、350 和 1k 欧姆惠斯通电桥传感电路兼容的差分通道; • 板载温度传感器; • 用于 RPM 和脉冲计数的数字输入通道; • 供电电压为 3.3 至 30 V; • 连续、周期性突发和事件触发采样; • 输出原始数据和/或派生通道,例如均值、RMS 和峰峰值; • LXRS 协议允许无损数据收集、可扩展网络和±50 μs 的节点同步; • 使用板载分流电阻器进行远程应变校准。 | • 高达 1024 Hz 的采样率; • 低噪声 1.5 或 2.5 V 传感器激励; • 噪声低至 1 μV p-p; • 高分辨率 24 位数据; • 数据记录多达 800 万个数据点; • 低功耗运行,非常适合电池供电的应用; • 无线范围可达 1 公里(典型值为 400 米); • -40 至 +105°C 工作温度范围。 | • 应变、负载、力、压力、加速度、振动、位移或扭矩感测; • 基于状态的监测 (CBM); • 结构载荷和应力监测; • 测试和测量; • RPM 和脉冲计数。 |
LORD SG-LINK-200-OEM无线应变/模拟传感器节点的特点
| 传感器输入 | 操作 | 包装 |
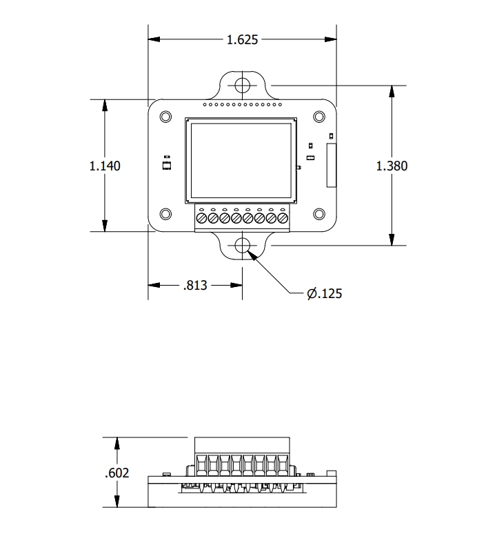
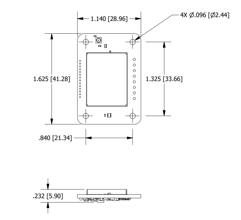
• 1个差分输入通道; • 1个单端输入通道; • 1 个用于 RPM 或脉冲计数的数字输入; • 板载温度传感器(+/- 0.25°C); • 1.5 或 2.5 V 传感器电源输出; • 可调增益(1 至 128); • 可调过滤; • 高分辨率 24 位数据; • 噪声低至 1 µV p-p; • 与 120、350 和 1kOhm 惠斯登电桥传感电路兼容; • 可用的工厂桥完成(¼、½ 或全桥); • 使用板载分流电阻器进行远程应变校准。 | • 高达1kHz的连续采样率; • 连续、定期突发或事件触发的操作; • 输出波形数据和/或衍生参数(平均值、有效值、峰峰值); • LXRS协议允许无损的数据收集,可扩展的网络规模,以及±50微秒的节点同步; • 数据记录高达800万个数据点; • 无线范围可达1公里; • 占空比传感器激励的低功率操作,非常适合电池供电的应用。 | •带3.3至30VDC的电源; •-40至+105℃的工作温度范围; •Humiseal 1B31 保形涂料; •4个安装孔,尺寸为2-56 UNC; •可选的铝制底座和传感器终端; •天线选项包括板载,或U.FL连接器。 |
LORD SG-LINK-200-OEM无线应变/模拟传感器节点的应用领域
| 设备状态监测 | 测试和测量 | 影响和事件监测 |
•小尺寸和宽输入范围使将无线传感嵌入到许多应用中变得容易。 •低功耗要求可在电池供电下进行长期监控。 •来自 SensorCloud 的文本和电子邮件警报。 | •端到端的数据采集系统减少了测试的时间和成本。 •使用 SensorConnect 从节点网络实时远程配置和收集数据。 •使用开源 MicroStrain 通信库 (MSCL) 轻松编写您自己的自定义软件。 | •事件驱动采样允许只报告预先定义的事件周围感兴趣的数据。 •用户可配置事件前和事件后的持续时间,使你能够看到导致事件发生的数据,以及数据如何恢复到正常状态。 |
LORD SG-LINK-200-OEM无线应变/模拟传感器节点的产品规格参数

