定制热线: 0755-22322016
联系人:19066390079(微信同步)
邮 箱:3957248201@qq.com
地 址:深圳市龙岗区平湖街道禾花社区佳业工业园3栋4楼1-2
网 址://www.99usgo.com
G-LINK-200-8G/40G无线加速度传感器是一款电池供电的无线3轴加速度计,具有坚固的防风雨外壳。G-Link-200-8G/40G提供极低噪音的波形数据,是振动、冲击、运动和倾斜监测应用的理想选择。此外,衍生的振动参数可用于长期状态监测和预测性维护。
Lord无线传感器网络部署迅速,提供可靠的无损数据吞吐量。这些网络被证明可以在要求严格的行业中工作,可靠的数据采集是至关重要的。
| 传感器 | 操作 | 包装 |
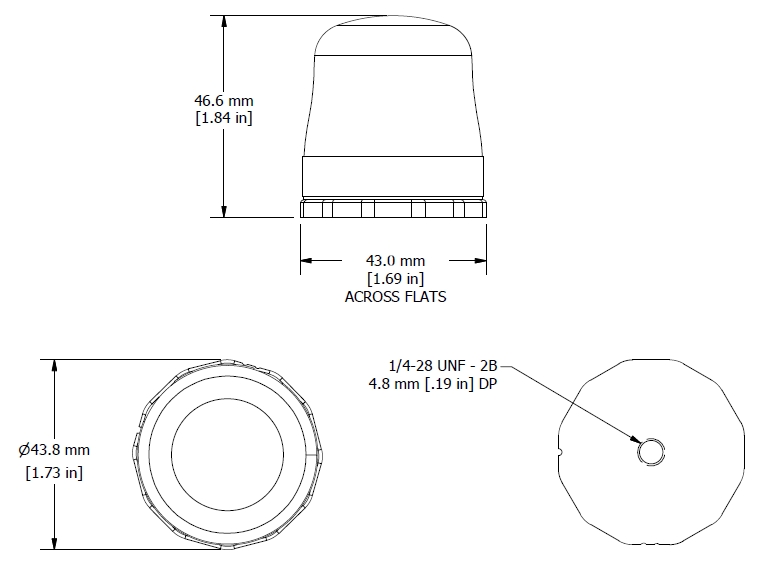
集成3轴高性能加速度计 直流至1KHz带宽 可调节的输入范围 ±2/4/8G (G-Link-200-8G) ±10/20/40G (G-Link-200-40G) 极低的噪声密度 25 µg/√Hz (G-Link-200-8G) 80微克/√Hz (G-Link-200-40G) 可编程的高通和低通数字滤波器 板载温度传感器(+/- 0.25℃)。 倾斜度(±1°精度,<0.1°精度) | 采样率可调,最高可达4kHz 连续、定期突发或事件触发的操作 LXRS协议允许无损的数据采集,可扩展的网络规模,节点同步为±50 µs 输出加速度波形数据、倾斜度和/或衍生的振动参数(速度、振幅、波峰系数)。 数据记录高达800万个数据点 无线范围可达1公里 | IP-67防风雨外壳 不锈钢底座 ¼ 28 UNF安装孔或可选的磁性底座 3个机载1/2 AA 3.6V LiSOCL2电池 工作温度范围:-40至+85°C |
G-LINK-200-8G/40G无线加速度传感器使用领域
| 测试和测量 | 影响和事件监测 | 设备状态监测 |
端到端的数据采集系统减少了测试的时间和成本。 使用SensorConnect远程配置和实时收集节点网络的数据。 网络中的所有节点使用Lord专有的无线网络协议进行同步和无损的数据通信。 利用SensorConnect的实时FFT进行实时的光谱测量。 | 事件驱动采样允许只报告预先定义的事件周围感兴趣的数据。 用户可配置事件前和事件后的持续时间,使你能够看到导致事件发生的数据,以及数据如何恢复到正常状态。 | 使用派生通道输出追踪振动的时间: 加速度均方根值 加速度峰-峰-峰 速度有效值(IPS) 峰值系数 极大地延长了电池寿命,并减少了允许更大网络的数据 |
G-Link-200-8G/40G有一个板载的三轴加速度传感器允许以极低的噪音和漂移进行高分辨率的数据采集。噪声和漂移极低。衍生的振动参数允许长期监测关键性能指标,同时最大限度地延长电池寿命。
洛德传感 无线传感器网络使同时,高速传感和数据汇总来自于可扩展的传感器网络实现同步、高速传感和数据汇总。我们的无线传感系统是我们的无线传感系统是测试和测量、远程监控、系统性能分析和嵌入式应用的理想选择。性能分析和嵌入式应用。
用户可以轻松地对节点进行编程,以实现连续、定期突发、或事件触发的采样,使用SensorConnect软件。可选的基于网络的SensorCloud界面优化了数据的传感器数据的汇总、分析、展示和警报。来自远程网络的传感器数据。
G-LINK-200-8G/40G无线加速度传感器特点
| 高性能传感 | 坚固耐用,不受天气影响 | 可靠的数据采集 | 为许多应用进行配置 | 应用 |
- 板载三轴加速度计,具有±2至±40g的测量范围; - 所有轴上的极低噪音 25 µg/√Hz 或 80 µg/√Hz; - 用户可配置的低通和高通滤波器 - 板载温度传感器; - 标准的游乐设施特性测试版本可供选择。 | - IP-67防风雨外壳; -40至+85°C工作温度; - 不锈钢底座; - 螺栓或磁性安装。 | - 使用无损、同步和可扩展的网络LXRS或LXRS+协议; - 通过以下方式远程配置节点和查看传感器数据SensorConnect(PC)、SensorCloud(Web)或MSCL(API 库)。 | - 输出原始加速度波形数据、倾斜度或衍生的振动参数(速度、振幅、波峰系数)。 - 高达4096赫兹的采样 - 连续、定期或事件触发的操作 - 实时传输数据和/或保存在板载存储器中。 | - 振动监测 - 基于状态的维护(CBM)。 - 冲击和事件监测 - 旋转部件、飞机、结构和车辆的健康监测、结构和车辆的健康监测 - 标准化游乐设施特性测试(SARC测试): G-Link,-200-R型 - 符合ASTM F2137-18标准的型号: G-Link-200-R |
坚固耐用的无线三轴加速计节点G-Link-200-8G/40G规格参数
