定制热线: 0755-22322016
联系人:19066390079(微信同步)
邮 箱:3957248201@qq.com
地 址:深圳市龙岗区平湖街道禾花社区佳业工业园3栋4楼1-2
网 址://www.99usgo.com
美国LORD G-LINK-200-R无线 3 轴加速度计/传感器符合ASTM F2137标准,具有坚固、防风雨外壳,是游乐设施测试测量的理想选择。
G-Link-200-R 是一款电池供电的无线 3 轴加速度计,具有坚固、防风雨的外壳。 该无线加速度计符合 ASTM F2137 标准,特别适合监测游乐设施和过山车的动态特性。 G-Link-200-R 提供极低噪声波形数据,非常适合振动、冲击和运动监测应用,以及标准化游乐设施特性测试(SARC 测试)。 对于不需要符合 ASTM F2137 标准的应用,请访问 G-Link-200-8g 或 G-Link-200-40g 页面。
Lord 无线传感器网络可快速部署并提供可靠、无损的数据吞吐量。 事实证明,这些网络适用于要求可靠的数据采集至关重要的行业。
G-Link-200-R 专为监测游乐设施和过山车的动态特性而设计。 无线传感器符合 ASTM F2137-18 标准。 板载三轴加速度计报告具有极低噪声和漂移的高分辨率波形数据。
LORD Sensing 无线传感器网络支持来自可扩展传感器网络的同步、高速传感和数据聚合。 我们的无线传感系统非常适合测试和测量、远程监控、系统性能分析和嵌入式应用。
用户可以使用 SensorConnect 软件轻松对节点进行连续或事件触发采样编程。 可选的基于 Web 的 SensorCloud 界面优化了来自远程网络的传感器数据的数据聚合、分析、演示和警报。
该款G-Link-200-R 无线三轴加速度节点传感器具有如下优势
| 高性能传感 | 坚固耐用且防风雨 | 可靠的数据收集 | 为许多应用程序配置 | 应用程序 |
• 符合 ASTM F2137-18; • ±20 g 三轴测量范围; • 所有轴上的噪音极低:80 µg/√Hz; • 板载温度传感器; • CFC10、CFC21 或 CFC21 的可配置低通滤波器CFC60。 | • IP-67 防风雨外壳; • -40 至 +85°C 工作温度; • 不锈钢底座; • 螺栓或磁性安装座。 | • 无损、同步和可扩展的网络使用LXRS 或 LXRS+ 协议; • 远程配置节点和查看传感器数据 SensorConnect (PC)、SensorCloud(网络)或 MSCL(API库)。 | • 128-1024 赫兹采样; • 实时传输数据和/或保存到板载内存。 | • 加速度和振动监测; • 标准化游乐设施特性测试(SARC 测试); • 影响和事件监测; • 基于状态的维护 (CBM)。 |
G-Link-200-R 无线三轴加速度计特点
| 传感器 | 操作 | 包装 |
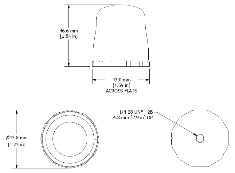
• 集成3轴高性能加速度计; • 直流至1KHz带宽; • +/- 20g输入范围; • 极低的噪声密度(80 µg/√Hz); • 可编程的-80 db/十年低通滤波器(CFC10, CFC21. CFC60)。 • 板载温度传感器(+/- 0.25℃)。 | • 可调节的采样率,最高可达1kHz; • 连续和事件触发的操作; • LXRS协议允许无损的数据收集,可扩展的网络规模,以及±50微秒的节点同步; • 数据记录高达800万个数据点; • 无线范围可达1公里。 | • IP-67防风雨外壳; • 不锈钢底座; • ¼ 28 UNF安装孔或可选的磁性底座; • 3个机载1/2 AA 3.6V LiSOCL2电池; • -40至+85℃的工作温度范围。 |
G-Link-200-R 无线三轴加速度传感器使用领域
| 用于测试和测量 | 用于影响和事件监测 |
• 端到端的数据采集系统减少了测试的时间和成本。 • 使用SensorConnect远程配置和实时收集节点网络的数据。 • 网络中的所有节点使用Lord专有的无线网络协议进行同步和无损的数据通信。 • 利用SensorConnect的实时FFT进行实时的光谱测量。 | • 事件驱动采样允许只报告预先定义的事件周围感兴趣的数据。 • 用户可配置事件前和事件后的持续时间,使你能够看到导致事件发生的数据,以及数据如何恢复到正常状态。 |
G-Link-200-R 加速度器的规格参数
