定制热线: 0755-22322016
联系人:19066390079(微信同步)
邮 箱:3957248201@qq.com
地 址:深圳市龙岗区平湖街道禾花社区佳业工业园3栋4楼1-2
网 址://www.99usgo.com
美国LORD G-Link-200-OEM嵌入式无线加速度计,是一款小型无线 3 轴加速度计,可用于 OEM 集成。G-Link-200-OEM 提供极低噪声的波形数据,非常适合振动、冲击、运动和倾斜应用。 此外,派生的振动参数允许进行长期状态监测和预测性维护。G-Link-200-OEM3轴无线加速度计是工厂校准和低噪音、 振动、冲击和倾斜应用的理想选择。
Lord 无线传感器网络可快速部署并提供可靠、无损的数据吞吐量。 事实证明,这些网络适用于要求可靠的数据采集至关重要的行业。
G-Link-200-OEM 有一个板载三轴加速度计,可以以极低的噪声和漂移进行高分辨率数据采集。 此外,派生的振动参数允许对关键性能指标进行长期监控,同时最大限度地延长电池寿命。
LORD Sensing 无线传感器网络支持来自可扩展传感器网络的同步、高速传感和数据聚合。 我们的无线传感系统非常适合测试和测量、远程监控、系统性能分析和嵌入式应用。
用户可以使用 SensorConnect 软件轻松对节点进行连续、周期性突发或事件触发采样的编程。可选的基于 Web 的 SensorCloud 界面优化了来自远程网络的传感器数据的数据聚合、分析、演示和警报。
LORD G-Link-200-OEM嵌入式3轴无线加速度计的优势
| 高性能传感 | 易于整合 | 可靠的数据收集 | 为许多应用程序配置 | 应用程序 |
• ±2 至 ±40 g 的板载三轴加速度计测量范围; • 所有轴上的噪声极低 25 µg/√Hz 或 80 µg/√Hz; • 用户可配置的低通和高通滤波器); • 板载温度传感器。 | • 小而薄的外形; • 电源从 3.3 到 36 VDC; • -40 至 +85°C 工作温度; • 板载、U.FL 或 MMCX 天线项。 | • 无损、同步和可扩展的网络使用LXRS 或 LXRS+ 协议; • 远程配置节点和查看传感器数据SensorConnect (PC)、SensorCloud(网络)或 MSCL(API库); | • 输出原始加速度波形数据、倾斜或派生振动参数(速度、振幅、波峰因数); • 高达 4096 Hz 的采样率; • 连续、周期性或事件触发操作; • 实时传输数据和/或保存到板载内存。 | • 振动监测; • 基于状态的维护 (CBM); • 影响和事件监测; • 旋转部件、飞机的健康监测,结构和车辆。 |
LORD G-Link-200-OEM3轴无线加速度器的特点
| 传感器输入 | 操作 | 包装 |
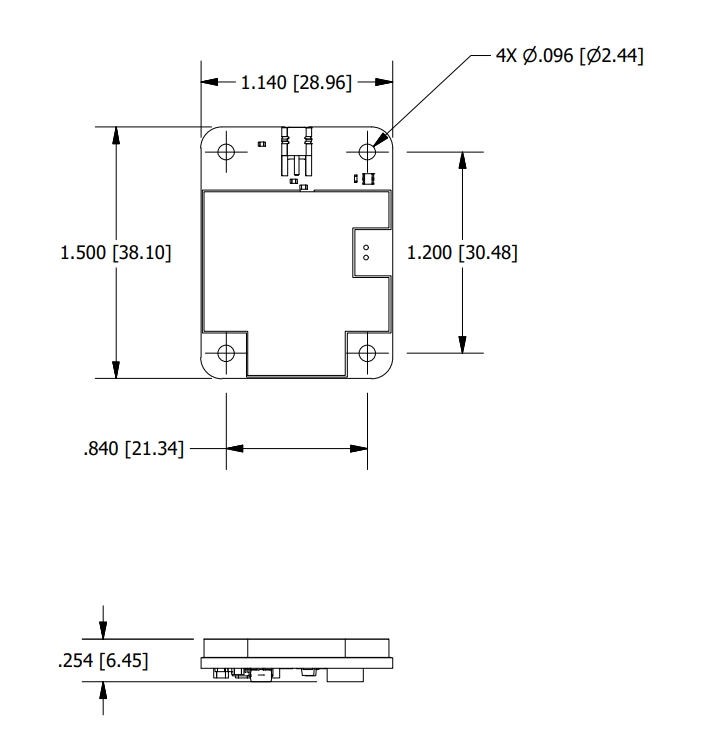
•集成 3 轴高性能加速度计; •DC 至 1KHz 带宽; •可调输入范围 ±2/4/8G (G-Link-200-OEM-8G) ±10/20/40G (G-Link-200-OEM-40G); •极低的噪声密度 25 微克/√Hz (G-Link-200-OEM-8G) 80 微克/√Hz (G-Link-200-OEM-40G); •可编程高通和低通数字滤波器; •板载温度传感器(+/- 0.25°C); •倾斜(±1°精度,<0.1°精度)。 | •采样率可调,最高可达4kHz; •连续、定期突发或事件触发的操作; •LXRS协议允许无损的数据采集,可扩展的网络规模,节点同步为±50 µs; •输出加速度波形数据、倾斜度和/或衍生的振动参数(速度、振幅、波峰系数); •数据记录高达800万个数据点; •无线范围可达1公里。 | •带3.3至36VDC的电源; •-40至+85℃的工作温度范围; •Humiseal 1B31 保形涂料; •4个安装孔,尺寸为2-56 UNC; •可选的铝制底座和电源端子; •天线选项包括板载、MMCX或U.FL连接器。 |
LORD G-Link-200-OEM3轴无线加速度器的应用领域
| 设备状态监测 | 测试和测量 | 影响和事件监测 |
•小尺寸和宽输入范围使将无线传感嵌入到许多应用中变得容易。 •低功耗要求可在电池供电下进行长期监控。 •来自 SensorCloud 的文本和电子邮件警报。 | •端到端的数据采集系统减少了测试的时间和成本。 •使用 SensorConnect 从节点网络实时远程配置和收集数据。 •使用开源 MicroStrain 通信库 (MSCL) 轻松编写您自己的自定义软件。 | •事件驱动采样允许仅报告围绕预定义事件感兴趣的数据。 •用户可配置的事件前和事件后持续时间允许您查看导致事件发生的数据,以及数据如何恢复到正常状态。 |
LORD G-Link-200-OEM无线加速度器的规格参数
