电容式传感器类型有哪些?电容式传感器提供非接触式目标检测。这些传感器不仅可以检测目标的存在与否;但是,它们还可以检测压力、流量、间距、液位等。这可以简单地针对不同行业的不同材料完成。电容式传感器有哪几种类型,它包括以下内容。
这种类型的电容式传感器有晶圆或圆柱形,可以放置在最紧凑的地方。这些传感器主要用于监视和控制,机器过程和工作,就像用于作业计数的探测器一样。为了在狭小空间内提供最出色的贴合度,小型传感器头需要一个外部放大器。因此,在这个外部放大器上,电位计可以调节灵敏度。

与∅6.5 – M12 & M12 – M30的微型传感器相比,这种圆柱形电容式传感器更大。该传感器主要包括可调节的感应距离、外壳直径范围以及齐平和非齐平安装选项。这些传感器主要直接在整个容器壁上提供液位检测或非接触式接近检测。

高温电容式传感器用于传感器头暴露在极端温度下的情况。即使在最恶劣的情况下,这些传感器仍然可以通过热材料和温度直接接触来检测液体温度水平和散装货物。

模拟电容式传感器的工作方式与典型的电容式传感器类似,尽管根据其使用方式,它具有不同的优势。例如,与其他用途相比,这些传感器在选择材料、监测厚度和浓度差异方面非常出色。

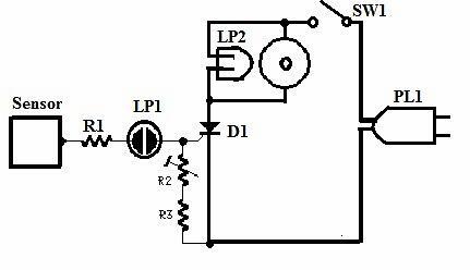
电源操作电容式传感器电路
市电操作的电容式传感器电路图如下所示。该电路可以使用电容式传感器等电子元件构建,R1 = 220K,R2 = 47K,R3 = 1K,D1 = TIC106M 600V 5A SCR,LP1是任何小型霓虹灯,LP2是230V灯,BZ1是230V蜂鸣器(可选), 单刀单掷 SW1(可选)和 PL1 是公电源插头和电缆。
该电路用作高灵敏度电容式传感器。一旦人体的一部分靠近传感器,那么蜂鸣器和 灯 可在电源电压的一半下工作。该电路可用作门报警电路或电容式传感器电路的替代电路。

一旦该电路用作门警报器,一旦有人从外部触摸门的把手,就会触发蜂鸣器或灯。警报器不是自动锁定的,因此一旦将手从门上移开,蜂鸣器/灯将被停用。
宽范围灵敏度控制“R2”允许在不同类型的门、把手和锁上使用电路。即使一小部分锁与墙壁接触,但无法通过全金属门工作,该设备也被证明是一致的。
该电路可以用作简单的触摸控制,因为一旦触摸“R1”的左侧端子,它就会工作。在这种情况下,您可以在没有传感器板的情况下执行。或者,使用薄铝或铜板测量30 x 20cm的传感器,可以在20cm的距离内注意到人体的一小部分。
该电路主要设计用于230V AC的工作。如果需要 110 至 120V AC 操作,则必须将“R1”值更改为 100K。如果此电路无法正常工作,请尝试将电源插头倒转到插座中,因为电源供电零线应连接到D1的阴极端子。一旦该电路被用作门把手报警器,那么更好的系统将使用R2微调器来完成,否则电位计在5K至10K范围内。
请注意,负载将由可用主电源的一半驱动。这应该不会造成任何问题,因为灯将产生足够的光用于信号目的,并且电源操作的蜂鸣器应该可以工作,只产生一点噪音。电路连接到230V AC电源,插入后远离电路并将其放入塑料盒中。
相关传感器产品型号
•FUTEK MTA400 三轴称重传感器
•Bota Systems MiniONE微型六轴力扭矩传感器
•Adin Robotics AFT200-D80智能六轴力矩传感器
•美培亚三美 MMS101微型6分量力/六轴/力矩传感器
•FUTEK QMA142 六轴力矩传感器(薄型轻型)。
相关阅读: