定制热线: 0755-22322016
联系人:19066390079(微信同步)
邮 箱:3957248201@qq.com
地 址:深圳市龙岗区平湖街道禾花社区佳业工业园3栋4楼1-2
网 址://www.99usgo.com
AFT200-D80智能六轴力扭矩传感器是由韩国Aiden Robotics开发的,AFT200-D80-C被应用于协作机器人、行业应用、自动化等领域。Aiden Robotics致力于研发世界领先的现场传感技术及产品,其新型双模式接近/触觉传感器技术,是一种无论外部冲击或环境变化如何,都能精确检测微小变化的测量技术,并可通过简化工艺以低成本制造的多轴力/扭矩传感器技术,而AFT200-D80_智能六轴力扭矩传感器就是其中一款智能传感器。
AFT200-D80-C智能六轴/六维/6分量力扭矩传感器的特点
•智能 6 轴力/扭矩传感器;
•多合一传感器(无需额外的放大器);
•数字输出通信(C-CAN、E-EtherCAT);
•集成惯性测量单元 (IMU);
•一体化、防水、集成惯性传感器和快速通信协议(CAN、EtherCAT);
•CE、FCC、KC认证;
•协作机器人、行业应用、自动化。
AFT200-D80-C智能六轴力扭矩传感器的技术指标
| 技术指标 | 单位 | 值 |
| 工作电压 | VDC | 5(CAN) |
| 最(CAN)大激励电压 | VDC | 24 (EtherCAT) |
| 力测量范围(FXYZ) | N | 200 |
| 矩测量范围(TXYZ) | Nm | 15 |
| 最大力安全范围 (FX/YZ) | N | 300/500 |
| 最大扭矩安全范围 (TXYZ) | N | 25 |
| 测量力分辨率 (FXYZ) | N | 0.15 |
| 测量扭矩分辨率 ((TXYZ) | Nm | 0.015 |
| 采样速率 | Hz | 1000 |
| 使用温度范围 | - | 10-50 °C |
| 通信 | - | CAN,EtherCAT |
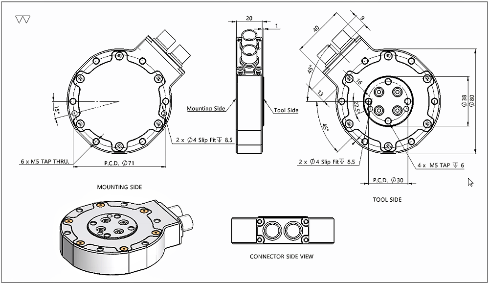
| 接头 | - | For User: CAN_H / CAN_L / VCC / GND ODU G40B0C-P10LCC9-0000 |
| 引脚输出(CAN) | ![]() | 1-NC 2-5V 3-GND 4-NC 5-CAN_HIGH 6-CAN-LOW 7-NC 8-NC 9-NC 10-NC |
AFT200-D80-C智能六轴力扭矩传感器螺栓连接实例

AFT200-D80智能六轴力扭矩传感器绘图
