定制热线: 0755-22322016
联系人:19066390079(微信同步)
邮 箱:3957248201@qq.com
地 址:深圳市龙岗区平湖街道禾花社区佳业工业园3栋4楼1-2
网 址://www.99usgo.com
瑞典Bota Systems MiniONE微型数字6轴力扭矩传感器是一种非常小巧且灵敏的数字 6 轴力扭矩传感器,旨在通过触觉反馈增强微型机器人系统。紧凑的外壳包括嵌入式电子温度传感器,以及与 TwinCAT、ROS、LabVIEW 和 MATLAB 的软件集成。MiniONE6轴力扭矩传感器有两种变体,具有两种连接器配置和 USB 通信。MiniONE具有超低噪声信号,支持 Matlab、LabView、ROS 或 TwinCAT,是医疗应用、检查、微抛光的理想选择。
| MiniONE微型6轴力扭矩传感器特点和优势 | |
•超低噪声和低漂移信号 •多合一力扭矩传感器设计 •小巧轻便(约 30 克) •带有惯性和温度传感器的嵌入式电子设备 •用于 ROS、LabVIEW 和 MATLAB® 的开源软件 •6 轴测量 •以 N 和 Nm 为单位的直接力和扭矩数据 | •访问嵌入式过滤、分辨率和采样率 •过载保护 •紧凑封装中的高刚度结构 •可在极端环境下运行 •CE兼容 •防尘防水 •Meca500兼容,易于集成 |
| MiniONE微型6轴力扭矩传感器技术规格 | ||||||
| Fx | Fy | Fz | Mx | My | Mz | |
| 范围 | 50 N | 50 N | 50 N | 1 Nm | 1 Nm | 1 Nm |
| 过载限制* | 100 N | 100 N | 100 N | 2 Nm | 2 Nm | 2 Nm |
| 串行 NFR** | 150 mN | 150 mN | 120 mN | 4.5 mNm | 4.5 mNm | 1.2 mNm |
| 尺寸(深 x 长) | 30 mm x 22.2 mm | |||||
| 防护等级 | 防尘防水 | |||||
| 工作温度 | 0°C – 55°C | |||||
| 连续的 | ||||||
| 通讯 | USB | |||||
| 最大采样率 | 250 Hz | |||||
| 惯性测量单元 | - | |||||
| 加速度 | - | |||||
| 陀螺仪 | - | |||||
| 电源 | 5 V, 1.0 W | |||||
| 重量 | 30 克 | |||||
| * 过载极限值是使用 FEA 方法模拟的。 实际结果可能与模拟结果存在偏差。 * * NFR(无噪声分辨率)是指传感器信号在 100 Hz 时的 (6σ) 峰峰值噪声分布。 | ||||||
MiniONE微型6轴力扭矩传感器的应用
MiniONE 是最紧凑的 6 轴力扭矩传感器,专为空间受限的应用而设计,在这些应用中,最轻微的力变化都会产生影响。
| 精密组装 | 产品测试 | 无人机巡检 | 显微操作 |
- 受控插入 - 高公差装配 - 装配质量控制 - 提高生产力 | - 质量控制 - 提高生产力 | - 恒定的力以获得可靠的测量 - 一致和重复的测量 - 能够创建诊断数据 - 减少在危险环境中的暴露 | - 提高生产率 - 高质量生产 - 安全关键操作 - 易碎部件操作 |
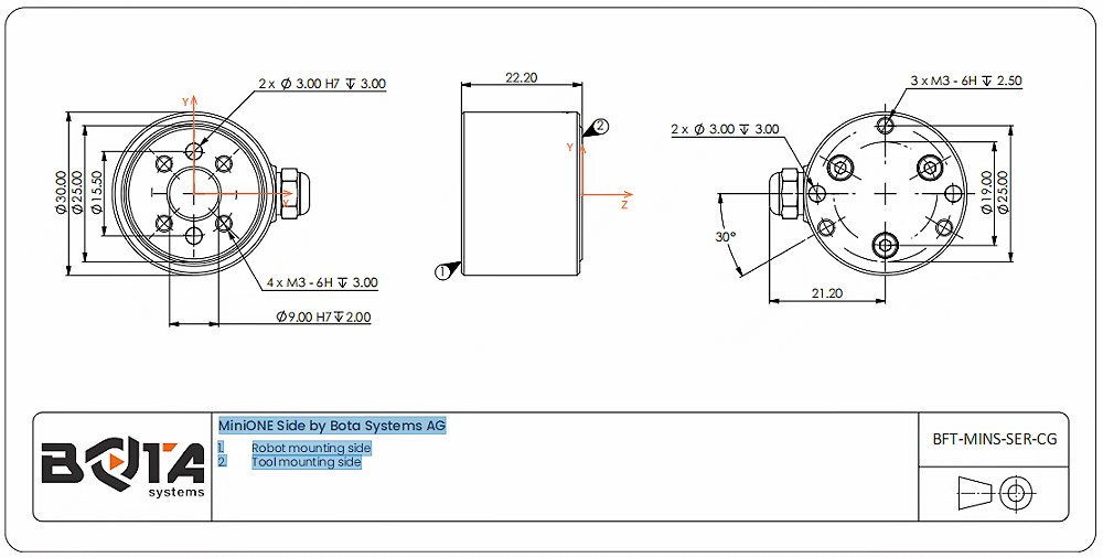
MiniONE微型6轴力扭矩传感器机械尺寸(侧面连接器配置)

关于MiniONE微型6轴力扭矩传感器的串扰
多轴力-扭矩传感器中的串扰是指传感器在其他轴上的测量值仅在一个轴上激发。 串扰被报告为相对于参考的百分位数偏差该轴的满刻度。 Bota Systems 为根据 ISO 测试的传感器提供串扰证书21612:2021 标准可应要求提供。 下面提供示例性串扰表作为参考。
| 受影响的轴 | Fx | Fy | Fz | Mx | My | Mz |
| Fx (%) | - | 0.00 | 0.05 | 0.02 | 1.17 | 0.18 |
| Fy (%) | 0.01 | - | 0.07 | .40 | 0.12 | 2.08 |
| Fz (%) | 0.08 | 0.03 | - | 1.66 | 0.32 | 0.01 |
| Mx (%) | 0.03 | 0.67 | 0.09 | - | 0.03 | 0.13 |
| My (%) | 0.13 | 0.36 | 0.22 | 0.85 | - | 0.07 |
| Mz (%) | 0.23 | 0.06 | 0.03 | 0.67 | 0.68 | - |
关于MiniONE微型6轴力扭矩传感器信号噪声
信号噪声是在捕获、存储、传输、处理过程中可能出现的任何不需要的修改,或通信信号的转换。 峰峰值标准偏差 (1σ) 的上限下表报告了噪声分布。
串行接口
| 采样率 | Fx | Fy | Fz | Mx | My | Mz |
| 100 Hz | 25 mN | 25 mN | 20 mN | 0.7 mNm | 0.7 mNm | 0.2 mNm |
| 200 Hz | ||||||