定制热线: 0755-22322016
联系人:19066390079(微信同步)
邮 箱:3957248201@qq.com
地 址:深圳市龙岗区平湖街道禾花社区佳业工业园3栋4楼1-2
网 址://www.99usgo.com
堡盟 Baumer MAGRES EAM580-SC - PROFINET(选型 EAM580-SC0.7YPT.14160.A )是一款实心轴带夹紧法兰的增量式编码器,货号为 11190902 。
• 多圈编码器 / PROFINET IO;
• 精确的磁感应技术;
• 分辨率最高30位(14位多圈,16位多圈);
• 测量精度高达±0.15°;
• 高防护等级:最高IP67;
• 超强的抗冲击和抗振动能力;
• LED状态显示。

(1) 电气参数 | |||
| 电源电压: | 10…30 VDC | 典型电流消耗: | 90 mA (24 VDC,无负载) |
| 初始化时间: | ≤ 10 s (上电后) | 接口: | PROFINET I/O |
| 功能: | 多圈 | 每圈步数: | ≤16384 / 14位 |
| 圈数: | ≤65536 / 16位 | 绝对精度: | ±0,15 ° (+20 ±15 °C) ±0,25 ° (-40…+85 °C) |
| 感应原理: | 磁式 | 抗干扰性: | EN 61000-6-2 |
| 辐射干扰: | EN 61000-6-4 | 状态指示灯: | 4个LED,集成在外壳中 |
| 认证: | UL认证 / E217823 | ||
(2)机械参数 | |||
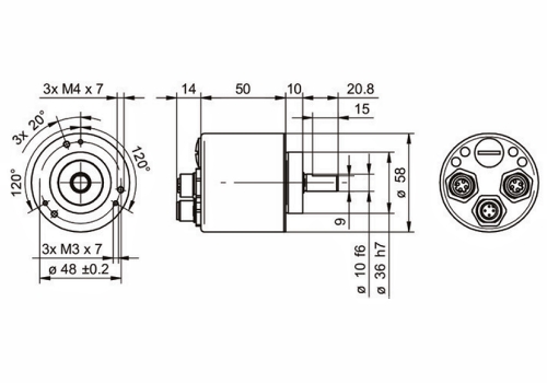
| 尺寸(法兰): | ø58 mm | 轴类型: | ø10 x 20 mm,实心轴带紧固面 |
| 法兰: | 夹紧法兰 | 防护等级(EN 60529): | IP 65 (无轴封) IP 67 (带轴封) |
| 运行速度: | ≤6000 rpm | 启动转矩: | ≤2 Ncm (+20 °C,IP 65) ≤2,5 Ncm (+20 °C,IP 67) |
| 转子惯量: | 15,38 gcm² | 允许轴负载: | ≤40 N 轴向 ≤80 N 径向 |
| 材质: | 外壳:镀锌钢 法兰:铝 轴:不锈钢 | 工作温度: | -40…+85 °C (参见“概述”) |
| 相对湿度: | 95% | 耐抗性: | EN 60068-2-6 抗振动30 g,10-2000 Hz EN 60068-2-27 抗冲击250 g,6 ms |
| 近似重量: | 360 g | 连接: | 3 x M12 法兰接头 |

| EAM580-SC0.7YPT.14160.A拆解:EAM580、S、C、0.、7、Y、PT、.14、16、0.、A | ||
| 各拆解项 | 各拆解项含义 | 各拆解项含义(中文) |
| EAM580 | Product:EAM580 | 产品:EAM580 |
| S | Shaft type:Solid shaft | 轴类型:实心轴 |
| C | Flange (shaft): Clamping flange, centering collar ø36 x 10 mm, pitch circle diameter 48 mm - 3xM3/3xM4 | 法兰(轴): 夹紧法兰,定心环 ø36 x 10 mm、 节圆直径 48 mm - 3xM3/3xM4 |
| 0. | Shaft: ø10 x 20 mm, with flat | 轴: ø10 x 20 毫米,带平面 |
| 7 | Protection class: IP 67 | 防护等级: IP 67 |
| Y | Connection: Flange socket axial M12, 4-pin, female contacts, CW, 1 x M12, 4-pin, male contacts, CCW | 连接方式: 轴向法兰插座 M12, 4 针, 母触点, CW, 1 x M12, 4 针、 公触点,CCW |
| PT | Voltage supply / interface: 10...30 VDC, PROFINET IO | 供电电压/接口: 10...30 伏直流,PROFINET IO |
| .14 | Resolution Singleturn: 14 Bit | 单圈分辨率 14 位 |
| 16 | Resolution Multiturn: 16 Bit | 多圈分辨率: 16 位 16 位 |
| 0. | Resolution supplement: No option | 分辨率补充: 无选项 |
| A | Operating temperature: -40...+85 °C | 工作温度: -40...+85 °C |