定制热线: 0755-22322016
联系人:19066390079(微信同步)
邮 箱:3957248201@qq.com
地 址:深圳市龙岗区平湖街道禾花社区佳业工业园3栋4楼1-2
网 址://www.99usgo.com
堡盟 Baumer U300.D50-DPMJ.72N (货号:11219488)是一款微型超声波测距传感器,测距范围为15 … 500 mm。
• 精确的测量原理带来的最佳测量性能
• 通过双通道向IO-Link通道输出并行信号。
• 灵活的参数化和额外的诊断数据得益于IO-Link。
• 同类产品中最短的盲区范围
• 在紧凑的外壳中实现高性能
• 型号:U300.D50-DPMJ.72N。

(1)基本参数 | |||
| 感应范围 Sd: | 15 … 500 mm | 感应范围近端限值 Sdc: | 15 … 500 mm |
| 感应范围远端限值 Sde: | 15 … 500 mm | 版本: | IO-Link双重信号通道 |
| 典型迟滞: | 4 % Sde | 重复精度: | 0,5 mm |
| 分辨率: | < 0,3 mm | 响应时间 ton/toff 标准: | < 40 ms |
| 响应时间 ton/toff 最小化: | < 16 ms | 温漂: | > 50 mm < 2 % of distance to target Sde |
| 电漂移: | 15分钟后补偿 | 声波频率: | 290 kHz |
| 调节: | qTeach,line-Teach,IO-Link | 指示灯: | 黄色LED |
| 上电指示灯: | 绿色LED | 测量轴校准: | < 2° |
(2)电气参数 | |||
| 电源电压范围 +Vs: | 12 … 30 VDC | 典型电流消耗: | 35 mA |
| 输出电路: | 电压输出 | 输出信号: | 0…10 V / 10…0 V |
| 输出电流: | 100 mA | 压降 Vd: | <3 VDC |
| 残余纹波: | < 10 % Vs | 短路保护: | 是 |
| 反极性保护: | 是,Vs到GND | ||
(3)通信接口 | |||
| 接口: | IO-Link V1.1 | 波特率: | 38.4 kBaud (COM 2) |
| 周期时间: | ≥ 8 ms | 过程数据长度: | 48 位 |
| 过程数据结构: | 位0 = SSC1 (距离) 位1 = SSC2 (距离) 位2 = 质量 位3 = 报警 位5 = SSC4 (计数器) 位8-15 = 比例因子 位16-47 = 32位测量值 | 其他数据: | 距离 过量增益 启动次数 运行时间 启动次数 工作电压 设备温度 直方图 |
| IO-Link端口类型: | A级 | IO-Link: | 是 |
| 参数可调: | 开关点 开关迟滞 测量值过滤 时间过滤器 LED状态指示灯 输出逻辑 输出电路 计数器 声锥宽度 模拟量输出特性 停用传感器元件 “找到我”功能 | ||
(4)机械参数 | |||
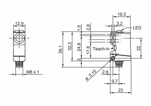
| 类型: | 矩形 | 外壳材质: | 塑料(ASA、PMMA) |
| 宽度 / 直径: | 12,9 mm | 高度 / 长度: | 32,2 mm |
| 深度: | 23 mm | 连接方式: | M8 接头,4针 |
(5)环境条件 | |||
| 工作温度: | -25 … +65 °C | 储存温度: | -40 … +75 °C |
| 防护等级: | IP 67 | ||
| 尺寸图 | 接线图 |
![]() | ![]() |
| 针角定义 | 典型声锥纵面 |
![]() | ![]() |
相关产品推荐
(1)测距传感器
• Baumer OM30-P0350.HV.YUN
• Baumer OM30-L0350.HV.YUN
• Baumer OM30-P0100.HV.TXN
• Baumer OM30-P0550.HV.YIN
• Baumer OM20-P0120.HH.TXN
• Baumer OM20-P0120.HH.YUN
• Baumer O300.DL-GM1J.72N
(2)超声波测距传感器
• Baumer UNAM 12U9912/S14
• Baumer UNDK 10P8914
• Baumer UNDK 09U6914/D1
• Baumer UNAM 12I9912/S14
• Baumer U300.D50-DPMJ.72N
(3)电感式测距传感器
• Baumer IWRM 30U9501
• Baumer IWRM 30I9501