定制热线: 0755-22322016
联系人:19066390079(微信同步)
邮 箱:3957248201@qq.com
地 址:深圳市龙岗区平湖街道禾花社区佳业工业园3栋4楼1-2
网 址://www.99usgo.com
BTS256-LED用于测量单个VIS和NIR LED总光通量的紧凑型BiTec光谱辐射仪LED测试仪具有以下特点:
(1)创新实施的小型积分球,带有锥体形测量口;
(2)用于替代校正的辅助灯(自吸收校正);
(3)BiTec传感器*实现最高的测量精度;
(4)测量标准如 光谱辐射功率、色温、CRI、色度坐标等;
(5)即插即用的LED测试。

1) BTS256-LED外壳 2) 带合成涂层的50mm积分球 3) 锥形测量端口 4) 精密卡口安装 5) 电路板上的测试LED(被测设备) 6) 遥控辅助灯 7) 带Si光电二极管的BiTec传感器,CMOS二极管阵列光谱仪和快门 8) 微处理器 9) USB2.0接口
LED 的光度规格通常必须满足非常高的公差要求,即使对于非专业应用,如通用照明和汽车照明也是如此。 这通常是一个问题,因为 LED 的制造公差可能高于应用中允许的公差。 LED 制造商基于亮度和颜色的分档提供的公差限制仅适用于与分档测试中的操作条件相似的情况。 因此,将 LED 集成到其产品中的制造商需要能够准确测量 LED 的精确原位光度性能的设备。

锥形测量口放在测试LED上,检测2pi空间内的所有辐射。
紧凑型光谱仪和 LED 测试仪
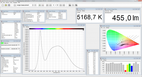
小巧的 BTS256-LED 使您能够方便地测量单个 LED 的光通量、光谱、颜色和显色指数。 一个特殊功能是设备的锥形测量端口。 执行板载 LED 测量的能力使得在测量中也包括热效应成为可能。 LED 的光通量、颜色、显色指数和光谱通常都可以在几秒钟内完成测量。 因此,该设备非常适合检测进货产品以及生产过程中的质量控制。 它在设计部门也非常有用。

带有模块化桌面设置的S-BTS256用户软件
BTS256-LED 采用紧凑的铝制外壳,提供精确测量光通量、光谱、颜色和显色指数所需的所有功能。

CIE 1976色度表与分选字段
*为了获得最高的准确性和多功能性,该设备基于 BiTec 光传感器,该传感器由 V-lambda 过滤硅光电二极管和具有 CMOS 二极管阵列的光谱仪单元组成。 硅光电二极管在动态范围、线性度和速度方面无与伦比。 基于 CMOS 二极管阵列的光谱仪保证了用于确定颜色值的发光光谱的精确测量数据。 两个检测器的组合可实现相互校正(参见有关 BTS 技术的文章)以获得更高的精度。 这也使得执行精确的、时间同步的测量成为可能,例如 PWM 信号。 BTS256-LED 的一项尖端功能是其用于阵列暗电流补偿的遥控快门以及用于补偿测量样品吸收的光(自吸收校正)的软件控制辅助灯。 使用随附的 S-BTS256 软件通过 USB 2.0 接口进行远程控制。

CRI条形图
溯源校准
光度测量设备的一项基本品质是其精确且可追溯的校准。 BTS256-LED 的校准在 Gigahertz-Optik 的 ISO/IEC 17025 校准实验室进行,该实验室根据 ISO/IEC 17025 获得 DAkkS (D-K-15047-01-00) 的光谱响应度和光谱辐照度认证。该设备有两个 校准:其中一个是使用专门开发的参考灯完成的,该参考灯提供 2pi 照明,可以精确测量漫射 LED 的光通量。 第二个校准是针对具有较窄照明特性的光源。
BTS256-LED 的选项
- 软件开发套件,使用户能够将设备集成到他们自己的软件中
- 使用其他组件扩展 BTS256-LED Plus 概念(用于照度和发光强度)
| 一般 | |
| 简要描述 | 用于测量单个LED的光通量、光谱、颜色和显色指数的光谱辐射仪 |
| 主要特点 | 紧凑的测量设备,内部有积分球,BiTec光传感器,遥控辅助灯和快门。光通量的快速数据记录器。软件(颜色量(x,y,u´,v´,X,Y,Z,delta uv,色温,显色指数(CRI)Ra,R1-R15,TM-30-20,CIE224,CQS,CIE170等)。 |
| 测量范围 | 光通量:10 mlm - 1100 lm,光谱范围。360 nm - 830 nm,带宽:5 nm,根据CIE 214进行光学带宽校正。 |
| 典型应用 | 单个LED的进货检验,生产过程中组装的LED的质量保证,研究和开发测试。 |
| 校准 | 用于漫射和窄光束LED。工厂校准。可追溯至国际校准标准。 |
| 产品 | ||
| 校准不确定性 | 光通量的± 5 % | |
| λ | u(k=2) | |
| (360 – 399) nm | 7 % | |
| (400 – 830) nm | 5 % | |
| 传感器 | 双技术传感器,有一个光度宽频探测器和一个阵列光谱仪。集成孔径,用于自动调整暗信号。 | |
| 输入光学元件 | 集成球体有合成ODM98涂层,球体端口有保护窗。锥体适配器涂有ODP97,用于吸收辐射。直径10毫米的测量口。LED辅助灯; 适配器变化效果± 0.5 %; 10毫米测量口的最大xy响应度偏差± 2 %; 10毫米测量端口的最大Z响应性偏差 ± 2 % (1毫米至11毫米)。 | |
| 光谱检测器 | |
| 芯片 | CMOS二极管阵列 |
| 光谱范围 | (360 - 830) nm |
数据分辨率 | 1 nm |
集成时间 | (5.2 - 30000) ms |
| 快门 | 用于暗信号测量的自动光圈,与光测量的积分时间相同。光圈延迟=100ms。 |
| 典型测量时间 | 1100 lm ≤ 5ms (白光) 10 mlm ≤ 30s (白光) |
峰值波长 | ± 0.5 nm |
主导波长 | ± 1 nm |
重复性 Δx 和 Δy | ± 0.0001 (标准照明器类型A) ± 0.0002 (LED) |
Δy Δx 不确定度 | ± 0.002 (标准照明器类型A) ± 0.005 (典型的LED) |
CCT 测量范围 | (1700 - 17000) K |
ΔCCT | ± 50K (标准照明器类型A) ± 3% (取决于LED的光谱) |
CRI(显色指数) | Ra和R1至R15 |
杂散光 | 6E-4 (蓝色LED) 6E-4 (绿色LED) 6E-4 (红色发光二极管) 1E-3 (白光LED) |
| 整体检测器 | |
最大光通量 | 70000 lm |
滤波器 | 具有精细的CIE光度测量匹配的光谱响应性。通过光谱测量数据对光度匹配进行在线校正(光谱失配系数校正)。 |
f1'(光谱不匹配) | ≤ 6 % (未校正) ≤ 1.5 % (f1' a*(sz(λ)) 分别为F*(sz(λ)) 由光谱数据校正,由BTS技术自动完成) |
ADC | 12Bit |
测量时间 | (0.1 - 6000) ms |
噪声等效光通量 | 0.05 mlm |
| 图表 | |
| 光谱响应性 | ![]() |
| 其它 | |
| 微处理器 | 16位,25ns指令周期时间 |
| 电源 | 5VDC至7VDC,辅助灯的电容器充电期间,峰值为250mA |
| 接口 | USB 2.0 (B型USB端口) |
| 温度范围 | 操作:(10至30)°C 储存:(-10至50)°C |
| 尺寸规格 | 160 mm x 85 mm x 60 mm (长 x 宽 x 高) |
| 重量 | 500 g |
| 传输案例 | 塑料硬顶外壳,333毫米x280毫米x70毫米,650克 |
| 选项 | |
| 210毫米积分球(UMBB-210) | |
| 光通量测量范围(积分测量) | (0.35 - 35000) lm |
| 球体直径 | 210 mm |
| 校准 | Luminous flux: ± 5% |
| 选项:500毫米积分球(UMBB-500) | |
| 光通量测量范围(积分测量) | (1.2 - 120000) lm |
| 球体直径 | 500 mm |
| 校准 | 光通量:±5 |
| 辐照度 (DA) | |
| 测量范围 | 照度:(0.2 - 25000)lx |
| 校准 | ± 2.2 % |
| 1000毫米积分球(UMTB-1000-HFT)。 | |
| 光通量测量范围(积分测量) | (4 - 400000) lm |
| 球体直径 | 1000 mm |
| 校准 | Luminous flux: ± 5% |
| 测角器 (GB-GD-360-RB40) | |
| 光强度测量范围(整体测量) | (2E-1 - 2E8) cd;通过1米的测量距离 |
| 校准 | 发光强度: ± 4 % |